SOYO COMPUTER CO., LTD.
5TS0/S2/S5
|
Processor |
CX M1/AM K5/Pentium |
|
Processor Speed |
75/90/100/120/133/150/166/180/200MHz |
|
Chip Set |
Intel |
|
Video Chip Set |
S3 |
|
Maximum Onboard Memory |
256MB (EDO supported) |
|
Maximum Video Memory |
2MB |
|
Cache |
256/512KB |
|
BIOS |
Award |
|
Dimensions |
330mm x 218mm |
|
I/O Options |
32-bit PCI slots (3), bus mouse port, floppy drive interface, IDE interfaces (2), parallel port, PS/2 mouse port, serial ports (2), VRM connector, USB connectors (2), VGA port, line out connector, TT connector, MPEG connector |
|
NPU Options |
None |
|
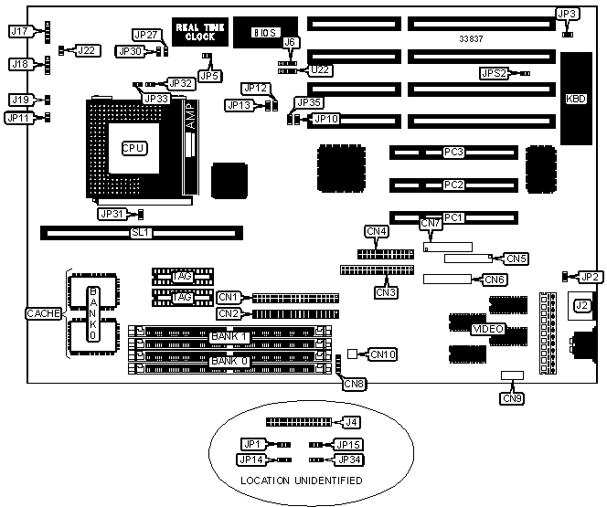
CONNECTIONS | |||
|
Purpose |
Location |
Purpose |
Location |
|
IDE interface 2 |
CN1 |
VRM connector |
J4 |
|
IDE interface 1 |
CN2 |
USB connector |
J6 |
|
Floppy drive interface |
CN3 |
Power LED & keylock |
J17 |
|
Parallel port |
CN4 |
Speaker |
J18 |
|
Serial ports, VGA, line out connector |
CN5 |
Reset switch |
J19 |
|
MPEG connector (optional) |
CN6 |
Turbo LED |
J22 |
|
TT connector |
CN7 |
IDE interface LED |
JP11 |
|
Line out connector |
CN8 |
32-bit PCI slots |
PC1 - PC3 |
|
MPEG connector (optional) |
CN9 |
Cache slot |
SL1 |
|
MPEG connector (optional) |
CN10 |
USB connector |
U22 |
|
PS/2 mouse port |
J2 | ||
|
USER CONFIGURABLE SETTINGS | |||
|
Function |
Label |
Position | |
|
» |
Factory configured - do not alter |
JP1 |
Pins 2 & 3 closed |
|
» |
Factory configured - do not alter |
JP2 |
Closed |
|
» |
Monitor type select EGA/VGA |
JP3 |
Closed |
|
Monitor type select monochrome |
JP3 |
Open | |
|
» |
CMOS memory normal operation |
JP5 |
Open |
|
CMOS memory clear |
JP5 |
Closed | |
|
» |
Factory configured - do not alter |
JP14 |
Pins 2 & 3 closed |
|
» |
Factory configured - do not alter |
JP15 |
Pins 2 & 3 closed |
|
» |
Factory configured - do not alter |
JP34 |
Pins 2 & 3 closed |
|
» |
Factory configured - do not alter |
JP35 |
Closed |
|
» |
PS/2 mouse disabled |
JPS2 |
Open |
|
PS/2 mouse enabled |
JPS2 |
Closed | |
|
DRAM CONFIGURATION | ||
|
Size |
Bank 0 |
Bank 1 |
|
4MB |
(2) 512K x 36 |
None |
|
8MB |
(2) 1M x 36 |
None |
|
8MB |
(2) 512K x 36 |
(2) 512K x 36 |
|
12MB |
(2) 1M x 36 |
(2) 512K x 36 |
|
16MB |
(2) 2M x 36 |
None |
|
16MB |
(2) 1M x 36 |
(2) 1M x 36 |
|
20MB |
(2) 512K x 36 |
(2) 2M x 36 |
|
24MB |
(2) 2M x 36 |
(2) 1M x 36 |
|
32MB |
(2) 4M x 36 |
None |
|
32MB |
(2) 2M x 36 |
(2) 2M x 36 |
|
36MB |
(2) 512K x 36 |
(2) 4M x 36 |
|
40MB |
(2) 4M x 36 |
(2) 1M x 36 |
|
48MB |
(2) 2M x 36 |
(2) 4M x 36 |
|
DRAM CONFIGURATION (CON’T) | ||
|
Size |
Bank 0 |
Bank 1 |
|
64MB |
(2) 8M x 36 |
None |
|
64MB |
(2) 4M x 36 |
(2) 4M x 36 |
|
68MB |
(2) 512K x 36 |
(2) 8M x 36 |
|
72MB |
(2) 8M x 36 |
(2) 1M x 36 |
|
80MB |
(2) 2M x 36 |
(2) 8M x 36 |
|
96MB |
(2) 8M x 36 |
(2) 4M x 36 |
|
128MB |
(2) 8M x 36 |
(2) 8M x 36 |
|
128MB |
(2) 16M x 36 |
None |
|
256MB |
(2) 16M x 36 |
(2) 16M x 36 |
|
Note: Board accepts EDO memory. Board also accepts x 32 SIMMs. Banks are interchangeable. | ||
|
CACHE CONFIGURATION | |||
|
Size |
Bank 0 |
SL1 |
TAG |
|
256KB |
(2) 32K x 32 |
Not installed |
(2) 16K x 8 |
|
256KB |
None |
256KB module installed |
(2) 16K x 8 |
|
512KB |
(2) 32K x 32 |
256KB module installed |
(2) 16K x 8 |
|
CACHE JUMPER CONFIGURATION | |
|
Size |
JP31 |
|
256KB |
Open |
|
512KB |
Closed |
|
CPU SPEED SELECTION (CYRIX) | ||||||
|
CPU speed |
Clock speed |
Multiplier |
JP12 |
JP13 |
JP32 |
JP33 |
|
120MHz |
50MHz |
2x |
Closed |
Closed |
Closed |
Open |
|
133MHz |
55MHz |
2x |
Open |
Open |
Closed |
Open |
|
150MHz |
60MHz |
2x |
Closed |
Open |
Closed |
Open |
|
166MHz |
66MHz |
2x |
Open |
Closed |
Closed |
Open |
|
CPU SPEED SELECTION (AMD) | ||||||
|
CPU speed |
Clock speed |
Multiplier |
JP12 |
JP13 |
JP32 |
JP33 |
|
75MHz |
50MHz |
1.5x |
Closed |
Closed |
Open |
Open |
|
90MHz |
55MHz |
1.5x |
Open |
Open |
Open |
Open |
|
90MHz |
60MHz |
1.5x |
Closed |
Open |
Open |
Open |
|
100MHz |
55MHz |
1.5x |
Open |
Open |
Open |
Open |
|
100MHz |
66MHz |
1.5x |
Open |
Closed |
Open |
Open |
|
120MHz |
60MHz |
1.5x |
Closed |
Open |
Open |
Open |
|
133MHz |
66MHz |
1.5x |
Open |
Closed |
Open |
Open |
|
150MHz |
50MHz |
2x |
Closed |
Open |
Closed |
Open |
|
166MHz |
66MHz |
2x |
Open |
Closed |
Closed |
Open |
|
CPU SPEED SELECTION (INTEL) | ||||||
|
CPU speed |
Clock speed |
Multiplier |
JP12 |
JP13 |
JP32 |
JP33 |
|
75MHz |
50MHz |
1.5x |
Closed |
Closed |
Open |
Open |
|
90MHz |
60MHz |
1.5x |
Closed |
Open |
Open |
Open |
|
100MHz |
66MHz |
1.5x |
Open |
Closed |
Open |
Open |
|
100MHz |
50MHz |
2x |
Closed |
Closed |
Closed |
Open |
|
120MHz |
60MHz |
2x |
Closed |
Open |
Closed |
Open |
|
133MHz |
66MHz |
2x |
Open |
Closed |
Closed |
Open |
|
150MHz |
60MHz |
2.5x |
Closed |
Open |
Closed |
Closed |
|
166MHz |
66MHz |
2.5x |
Open |
Closed |
Closed |
Closed |
|
180MHz |
60MHz |
3x |
Closed |
Open |
Open |
Closed |
|
200MHz |
66MHz |
3x |
Open |
Closed |
Open |
Closed |
|
CPU VOLTAGE SELECTION | |||
|
Voltage |
JP27 |
JP30 | |
| » |
3.3v (STD & VR) |
Open |
Closed |
|
3.45 - 3.6v (VRE) |
Closed |
Open | |